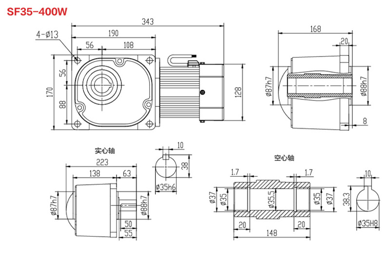
SF45-1500W
永磁SGF直角軸減速電機
語言
190-5756-1776
聯(lián)系電話:19057561776
傳真FAX:021-57272258
郵箱:ycgear115@163.com
地址: 上海市金山區(qū)朱涇鎮(zhèn)工業(yè)園B區(qū)
額定功率:400W
額定電流:1.6A
額定轉(zhuǎn)速:1500r/min
額定轉(zhuǎn)矩:2.54 N.m
絕緣等級:F(155℃)
防護等級:IP54
工作制:S1
效率:84%
190-5756-1776
環(huán)境濕度:環(huán)境濕度不大于 95%RH,無結(jié)露
安裝環(huán)境:不受陽光直曬,無油霧,無蒸汽,無滴水,無可燃、無腐蝕性的環(huán)境
海拔高度:1000m 以下使用,1000m 以上請降額使用,海拔每升高100m,降額1%
環(huán)境溫度:建議使用環(huán)境溫度在-10℃到 +40℃。40℃-50℃,每升高1℃,降額 4%
環(huán)境震動:請避免用于連續(xù)振動,和有過度沖擊的場合,振動不大于 0.5g(4.9m/s2)/50
