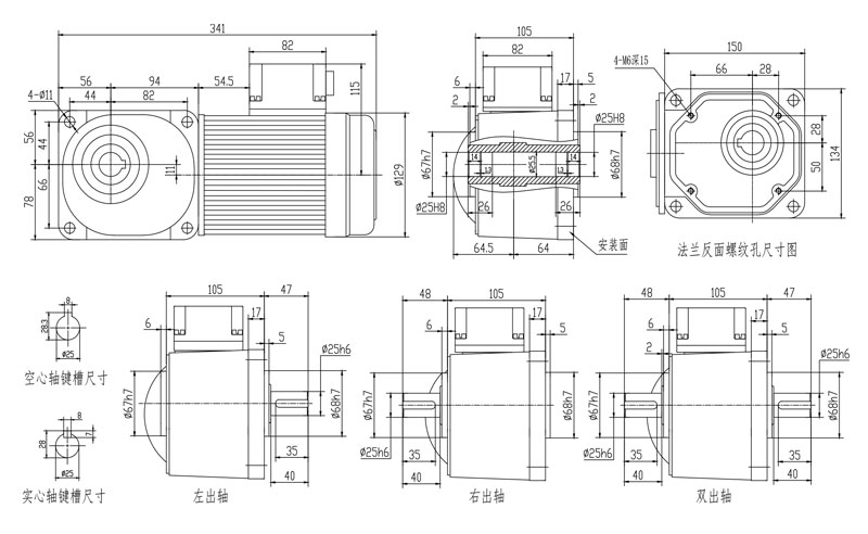
SGF35直角中空軸減速馬達 三相
SGF系列直角軸減速電機
語言
190-5756-1776
聯(lián)系電話:19057561776
傳真FAX:021-57272258
郵箱:ycgear115@163.com
地址: 上海市金山區(qū)朱涇鎮(zhèn)工業(yè)園B區(qū)
190-5756-1776
采用了準雙曲面齒輪設計,性能上兼有蝸輪蝸桿齒輪的低噪音和傘齒輪的高效率特點;不受輸出軸方向限制,同時提供直交軸減速電機空心軸系列產品,讓用戶選用、安裝更加靈活方便。
